Tube SE 6L6 / EL34 / KT88 amplifier stereo PCB !

Write a Review

Brand:
Unbranded/Generic
MPN:
Does Not Apply
$19.59

Note on 17th Mar 2013 : This board is now 2mm thickness for even better mechanical strength and reliability !!

This is a bare PCB of a tube amplifier. Each channel makes use of a single low noise tube 12AX7/6N11 at the input and proceeded by a power tube( 6L6/EL34/KT88) to accomplish power amplification. The output power varies from 3Wrms to 8Wrms( depending on which type of output tubes are used) and is a very good match with high efficiency ( 90dB or beyond) speakers.

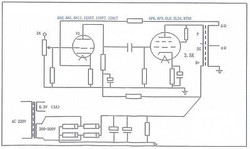
The schematic is shown below for reference. We provide detailed schematic ( with values and rating) to buyers by EMAIL.

Supply voltage : rail voltage - AC 200V to 300V 200mA; filament voltage - AC 6.3V 3.5A
 

 

Board Dimension : 147mm x 123mm.
Board Thickness : 2.0mm
Copper thickness : 75um ( 4 times normal thickness) ; tin-plated surface.